4
3
3253
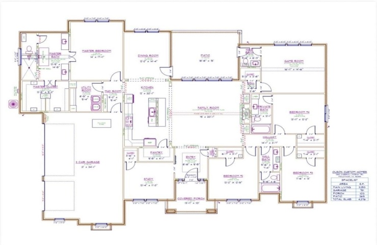
Property Description: Welcome to this beautiful Olson Custom Homes property in Hidden Lakes of Mockingbird, where peaceful country living meets quality craftsmanship. With over 3,200 sq ft, this 4-bedroom, 3.5-bath home offers an open-concept layout designed for comfortable everyday living and easy entertaining. The spacious kitchen features custom cabinetry, a large island, and plenty of prep space, all opening to the inviting living and dining areas with soaring ceilings and abundant natural light. The gameroom features a beautiful vaulted ceiling with wood beam matching the family room making it perfect for gatherings or family movie nights. The private primary suite offers a relaxing retreat with a soaking tub, walk-in shower, and dual vanities. Secondary bedrooms are generously sized with ample closet space. Foam insulation provides energy efficiency and year-round comfort. Step outside to enjoy the covered patio and wide-open backyard with room to roam on this 1.003 acre lot. A 3-car garage completes this thoughtfully designed home in one of Midlothian’s most desirable acreage communities. Olson Custom Homes is known for their quality of work and attention to details, earning a stellar reputation spanning over 35 years. Don't miss your chance to own one of their incredible homes! Expected completion is in early April 2026.